Мойка Franke MRG 110-52 каменно-серый в Тюмени
Характеристики
Особенности
Установка под столешницу заключается в том, что мойку устанавливают таким образом, чтобы бортики не были видны на поверхности, а уровень бортиков находился ниже уровня столешницы.
Врезная мойка устанавливается только в специально подготовленное отверстие, которое заранее вырезается в столешнице — оно должно точно соответствовать форме и размерам мойки. Затем она прижимается к краям отверстия при помощи специальных зажимов и герметизируется уплотнительной лентой.
Мойка с одной чашей — классический вариант, который привычен пользователям. Вариации этой конструкции — мойка с одной основной и одной дополнительной чашей, с аксессуарами (например, коландером), с крылом. Стандартная глубина таких моделей — 15-20 см, чтобы внутри поместилась посуда или продукты, а брызги не попадали вне.
Необорачиваемую мойку можно установить только в одном положении — поэтому при наличии крыла необходимо заранее продумать, как вы хотите ее разместить. Модель имеет одно отверстие для смесителя, может быть разной формы — круглой, квадратной, прямоугольной и нестандартной. Изготавливаются из разных материалов.
Специальная система аварийного слива воды в канализацию, если раковина переполнена. Она пригодится, если по какой-то причине заблокирован основной путь — забилось отверстие или перекрыто посудой. В таком случае вода доходит до критической отметки и сливается через дополнительную трубку, присоединенную к сифону.
Описание
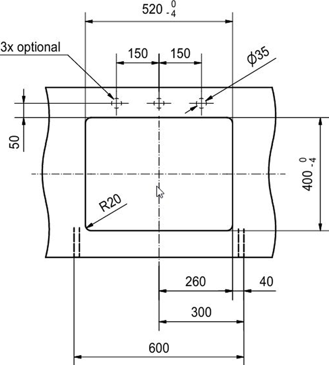
Мойка Franke MRG 110-52 каменно-серого цвета — это сбалансированное сочетание функциональности, надёжности и сдержанной эстетики для современной кухни. Эта прямоугольная врезная модель устанавливается под столешницу, создавая плавный и цельный переход от рабочей поверхности к краю чаши, что не только улучшает визуальное восприятие, но и упрощает уход за зоной стыка. Её габариты — 55,3 × 43,3 см — идеально соответствуют стандартному нижнему модулю шириной 60 см, а для установки требуется проём размером 52 × 40 см.
Глубина чаши 43,3 см обеспечивает комфорт при выполнении повседневных задач — от мытья посуды до подготовки ингредиентов — и эффективно снижает вероятность разбрызгивания воды. Внутренние углы закруглены радиусом 2 см, что придает чаше мягкость и облегчает очистку, а внешний контур имеет более четкие, но все же сглаженные линии с радиусом 1,5 см, что подчеркивает лаконичность и современный характер дизайна.
Цвет «каменно-серый» — это нейтральный, слегка тёплый оттенок, напоминающий натуральный обработанный камень. Он придаёт интерьеру ощущение стабильности, уюта и естественности, гармонично сочетаясь с деревом, бетоном, металлом и керамикой. Поверхность отличается высокой устойчивостью к царапинам, перепадам температур и воздействию бытовой химии, сохраняя насыщенность тона и текстуру даже при интенсивной эксплуатации. Благодаря продуманной эргономике, безупречному качеству изготовления и универсальному дизайну эта мойка станет надёжным и стильным элементом функционального кухонного пространства.
Общие характеристики

Врезная — устанавливается в подготовленное под нее отверстие в столешнице, крепится по краям среза.
Накладная — ставится в специальную тумбу с местом под коммуникации. Обычно изготавливается из листового металла.
Интегрированная — встраиваемая модель из того же материала, что и столешница. Благодаря этому она выглядит как часть мебели.

Форма мойки — самый очевидный критерий выбора модели. Благодаря разнообразию материалов изготовления производители выпускают изделия самых разных форм. Наиболее распространенными остаются прямоугольные мойки и квадратные как их разновидность. У них много достоинств — удобство встраивания и минимум проблем при монтаже, большой объем, а для прямоугольных — возможность установки в столешницу небольшой глубины. Углы у большинства моделей делают скругленными, что облегчает очистку и не дает забиваться мусору. Такие мойки можно найти во всех ценовых категориях, для их изготовления используют любые материалы.
Круглые и овальные мойки смотрятся эффектно и стильно, у них отсутствуют углы, так что уход не составляет труда. При одинаковом объеме круглая мойка будет казаться меньше, чем квадратная. Такие модели часто используют в классическом интерьере. Установка такой мойки требует круглого отверстия в столешнице, что также достаточно просто сделать. Угловые мойки позволяют заполнить пространство в углах, экономя место в помещении. Раковины в них могут быть различной формы, а место за мойкой можно использовать для хранения. Мойки в форме трапеции выглядят свежо и оригинально, но подойдут не для всякого интерьера.

Ширина мойки, как и другие габариты — параметр, который должен стать основным при выборе модели. Выбирать габариты мойки следует, исходя из состава семьи, размеров помещения, пищевых привычек: так, если в семье готовят часто и помногу, лучше выбрать модель большего размера. Ширина мойки складывается из нескольких составляющих — в частности, количества и ширины основных и дополнительных чаш, наличия крыла и его размеров.
Стандартными считаются модели с одной квадратной или круглой чашей, без крыла. Ширина для квадратных моек при этом составляет 50-60 см, круглые модели имеют диаметр около 50-55 см. Для моделей с одной чашей и крылом ширина может достигать 60-80 см. Изделия с двумя основными чашами имеют ширину до 90 см.
Ширина самых компактных моек, как правило, составляет около 40-45 см. Гораздо реже в продаже можно увидеть очень маленькие модели шириной от 20 см: их могут устанавливать в кухнях небольшой площади или использовать как дополнение к стандартным. Куда больше разброс размеров у больших моек, чья ширина превышает 80 см и может составить 120 см и более: они могут оснащаться несколькими чашами, одним или двумя крыльями, иметь необычную форму — овальную или трапециевидную.

Глубина чаши — очень важная характеристика, на которую необходимо обратить внимание, подбирая вариант для вашей кухни. Выбирать следует одновременно мойку по глубине и смеситель по высоте излива: если не согласовать эти два размера, мыть посуду или подготавливать продукты перед готовкой будет неудобно из-за брызг. Глубина зависит от многих параметров: количества чаш, типа чаши — основной или дополнительной, даже материала изготовления, а также габаритов самой мойки. Кроме того, рекомендуется ориентироваться на пищевые привычки семьи — какие продукты и какая посуда используется чаще всего и поместится ли она в раковину.
Стандартное значение глубины для моделей с одной чашей составляет 16-19 см. Если в семье часто готовят выпечку и пользуются противнями, лучше выбрать модель с большей глубиной — 19-20 см. Неглубокие раковины от 12 см на кухнях устанавливаются реже, обычно они используются в ванной, для мытья рук, но не посуды. Чаши глубиной более 20 см — не редкость у больших моек. Глубиной около 20 см могут отличаться и компактные мойки — таким образом компенсируются их малая ширина или диаметр. Следует заметить, что во время мытья посуды или продуктов к такой мойке придется наклоняться.
Установка и подключение

В зависимости от конфигурации модель можно поставить разными способами:
под столешницу — мойка расположена чуть ниже рабочей поверхности для лучшей герметизации;
вровень со столешницей — создается ощущение бесшовного пространства, а если мойка сделана из того же материала, то и единого дизайна;
над столешницей — край модели выступает на несколько миллиметров, это удобно, так как подходит для любых поверхностей.

База — это шкаф, в который вы планируете устанавливать мойку. Данный параметр обозначает минимальную ширину между боковые стенками. Именно столько нужно, чтобы правильно разместить всю сантехнику.
Особенности конструкции

Мойка может быть:
оборачиваемой — крыло можно расположить с любой стороны, поэтому установка становится максимально удобной;
необорачиваемой — предназначена для гарнитура с фиксированным расположением сантехники.

Выбор мойки по количеству основных чаш зависит не только от пожеланий пользователя, но и от габаритов кухни, размеров столешницы, бытовых и пищевых привычек тех, кто проживает в доме. Под основной чашей в мойках понимается обычно чаша большего размера, которая предназначается для свободного размещения и мытья грязной посуды, а также первичной разделки продуктов перед готовкой. Меньшую, дополнительную чашу, как правило, используют для ополаскивания чистой посуды, овощей или фруктов, подсушивания вымытых продуктов, размораживания.
Наиболее распространенными и популярными остаются мойки с одной чашей, которая в этом случае и будет основной. Этот вариант подойдет для небольших кухонь, одночашевую мойку целесообразно установить, если вы не планируете много готовить или принимать гостей. Плюсы ее — доступные цены, разнообразие материалов, размеров и форм. Мойки с двумя чашами одинакового размера стоит размещать в просторной кухне. Этот вариант идеален для мытья посуды, подготовки продуктов: можно использовать любую из чаш в равной степени, не боясь, что вода будет разбрызгиваться. Выбор таких моделей не так широк, а стоимость их несколько выше, чем у одночашевых.

Дополнительное сливное отверстие у верхнего края мойки, которое соединяется с сифоном специальном трубкой. Это позволяет избежать «затопления», если основной слив забился.

Для правильного монтажа мойки и установки сифона необходимо знать диаметр сливного отверстия. Слив в кухонных мойках должен удовлетворять нескольким требованиям. Прежде всего, он должен иметь высокую пропускную способность и выдерживать высокие температуры. Диаметр отверстия должен равняться диаметру канализационной трубы. Желательно также, чтобы на слив можно было установить измельчитель отходов (диспоузер). И наконец, материал следует выбирать, исходя из того, что на стенки трубы будут налипать отходы, в том числе жир.
Диаметр сливного отверстия традиционно измеряется в дюймах. Для основных чаш применяются для стандартных диаметра сливных отверстий — 1½" и 3½". Еще реже можно увидеть мойки с сливным отверстием 1¼". Меньший диаметр могут иметь более старые модели, такие габариты бывают также у дополнительных чаш мойки или просто у небольших моек. Диспоузер под такую раковину поставить невозможно. Модели с диаметром слива три с половиной дюйма (около 90 мм) выпускаются в соответствии с европейскими стандартами, они позволяют быстрее спустить воду из раковины, и полностью совместимы с сифонами нового образца, на них легко крепятся стандартные диспоузеры.
Дизайн

Цвет мойки — параметр, который выбирается, исходя из общего стиля интерьера. При его выборе учитывается прежде всего, из какого материала изготовлена мойка, так как каждый из них имеет свои ограничения. Кроме того, стиль и цвет мойки выбирается в соответствии (или на контрасте) со стилем и цветом смесителя, столешницы, бытовой техники, фартука кухни. Так, металлические эмалированные мойки, наиболее бюджетные, представлены в основном в универсальном белом цвете.
Мойки из нержавеющей стали имеют характерный серебристый цвет. В зависимости от покрытия они могут быть как глянцевыми или матовыми: последние считаются более практичными. Металлические мойки могут иметь цветное покрытие, однако выбор оттенков здесь невелик: золотистые, бронзовые, медные, латунные. Благодаря высокому качеству и современным методам обработки такие покрытия не стираются и теряют цвет долгие годы, однако следует отличать их от моек из настоящей меди, латуни или бронзы — намного более дорогих моделей, относящихся к премиум-классу.
Мойки из искусственного камня выпускаются обычно в пастельных тонах, которые получают благодаря добавлению специальных пигментов. Количество оттенков у них очень велико — от белого, жемчужного, беж, цветов ванили, пастилы, корицы до тонов графит, антрацит и базальт, а также универсального черного. Эти оттенки отличаются высокой стойкостью, не линяют и не выцветают. Менее востребованы цветные мойки, однако по качеству они не уступают изделиям нейтральных оттенков.
Модели из натурального камня чаще всего не покрывают ничем, чтобы подчеркнуть естественную текстуру, однако в продаже имеются изделия из мрамора или гранита цветов шоколада, титана, беж, шампань и других. Керамические мойки традиционно выпускают в классических оттенках белого и черного, а также в сдержанных серых, кремовых, коричневых тонах.

От материала изготовления зависит не только их стоимость моек, но и надежность, устойчивость к разного рода воздействиям, срок службы. Нержавеющая сталь — один из самых распространенных материалов. В числе ее преимуществ — прочность, простота в уходе, выгодная цена. Такие модели могут быть сварными или штампованными. Качество изделия зависит также от толщины стального листа: чем она больше, тем меньше шум при ударе воды и тем лучше будет закреплен смеситель. Мойки изготавливают и из других металлов: особенно благородно и стильно выглядят модели из меди, латуни или бронзы.
Модели из искусственного камня, хорошо поддающегося обработке, отличает разнообразие форм, размеров и расцветок. Эти прочные, эффектные мойки требуют особого подхода при встраивании из-за значительного веса. Изделия из натурального камня относятся к премиум-классу и чаше изготавливаются на заказ. Мебель для них также должна быть особенно прочной.
Удобны и элегантны мойки из керамики: они могут изготавливаться из фарфора, фаянса или керамогранита и отлично смотрятся в классическом или деревенском интерьере. Такие модели, особенно фарфоровые и фаянсовые, нужно беречь от механических повреждений.
Комплектация

Устройство, соединяющее слив мойки и канализацию. Представляет собой трубку из металла или пластика либо систему патрубков.
Инструкции
Сейчас этой модели нет в наличии на складе, она доступна только под заказ. Сроки отгрузки могут варьироваться в зависимости от частоты поставок производителем.
Бытовая техника доставляется со склада поставщика до терминала транспортной компании в Тюмени. Вы можете оформить самовывоз или дополнительно оплатить перемещение по адресу проживания — оно осуществляется сотрудниками ТК.
Стоимость доставки сообщит менеджер по телефону при подтверждении заказа — она зависит от размеров упаковки и веса товара, ограничений бренда (если они есть).
Подходящую дату доставки можно выбрать при подтверждении заказа — менеджер предложит доступные варианты. При изменении сроков транспортной компанией мы свяжемся с вами, чтобы подтвердить другую удобную вам дату. Если вы не можете принять товар в заранее установленный день, сообщите нам об этом заранее. Обратите внимание: при доставке до квартиры работники ТК не заносят технику в помещение и не подготавливают ее к подключению. Внимательно осматривайте товар при получении — если заметите повреждения, можете отказаться от товара до подписания документов; после подписания ТК не несет ответственность за неполадки.
Установка и подключение проводится мастерами наших компаний-партнеров в Тюмени — эта услуга не связана с доставкой, выполняется в другой день и оплачивается отдельно. Некоторые товары (блендеры, тостеры, кухонные комбайны и т. д.) не требует вмешательства мастера, так как собрать и включить их в розетку вы сможете самостоятельно.
Стоимость подъема техники до двери рассчитывается исходя из нескольких факторов: веса и габаритов товара, наличия или отсутствия работающего лифта.
Установка и подключение этого товара оплачиваются в соответствии с действующими тарифами. Обратите внимание, что демонтаж старой техники — это отдельная услуга.
При оформлении заказа на сайте вы можете выбрать подходящий способ оплаты:
- онлайн через электронную систему платежей;
- безналичный расчет.
При оформлении заказа по телефону (или при его подтверждении после отправки формы на сайте) менеджер подробно расскажет вам, как оформить предоплату.
На данный товар распространяется официальная гарантия производителя. Обслуживание в течение всего гарантийного срока осуществляется авторизованными сервисными центрами производителя в соответствии с требованиями, указанными в Законе РФ «О защите прав потребителей».
Обратите внимание: гарантийный срок и установленный производителем срок службы — это разные понятия. Изготовитель принимает на себя ответственность по устранению неисправностей, если не указано обратного.
ВАЖНО!
При получении обязательно осмотрите прибор: нет ли на нем механических повреждений, соответствует ли комплектация заявленной.
Обратите внимание:
- Есть функции:
- ‐ Крыло
- Материал: фрагранит
- Ширина мойки: больше на 22.7 см
- Глубина мойки: больше на 6.7 см
- Ширина базы: 45 см
- Габариты мойки, ШxГ (см): 78х50
- Ширина монтажного отверстия: больше на 24 см
- Нет функций:
- ‐ Перелив
- ‐ Сифон
- Материал: нержавеющая сталь
- Ширина мойки: меньше на 20.3 см
- Глубина мойки: меньше на 14.8 см
- Глубина основных чаш (по вертикали): меньше на 2 см
- Ширина базы: 50 см
- Габариты мойки, ШxГ (см): 35х28.5